欢迎来到船艇休闲旅游在线
首页 产品
舷外机汽油过滤器68V-24560高强度杯
舷外机汽油过滤器68V-24560高强度杯
舷外机汽油过滤器68V-24560高强度杯
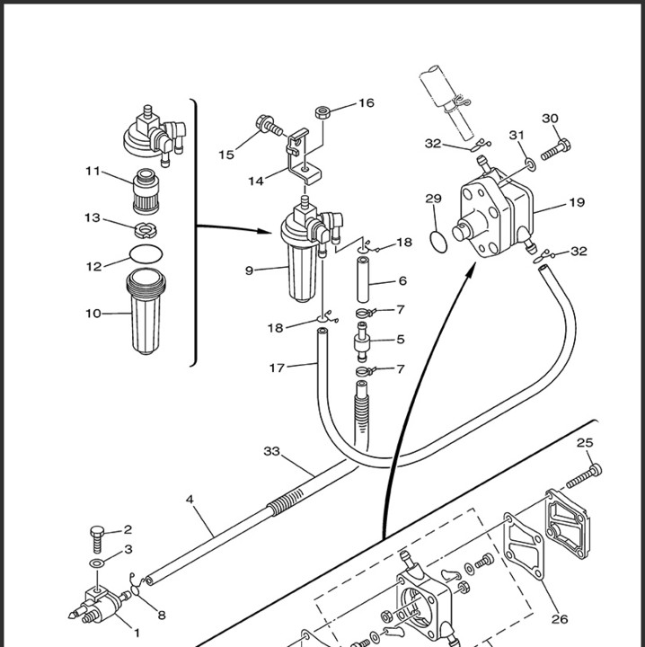
舷外机燃油滤清器组件
产品线:船艇动力
参考价格: 面议
采购量:
加入询盘
我要询价
福鼎市兴安机车部件有限公司
福鼎市兴安机车部件有限公司
中国大陆
产品概况
公司简介

Fuel Filter Assy For Yamaha Outboard Motor ,and Parsun T90

The fuel filter's nipple barb size is 8mm, 5/16"

Engine: 60HP 70HP 75HP 80HP 90HP 95HP 100HP 115HP (2 or 4 stroke)


业务种类
船艇
主要产品
舷外机燃油过滤器总成、油箱开关等油路配件
员工人数
50-100人
邮政编码
355200
注册资金(万元)
310
成立时间
2009
企业类型
制造商
公司网址
fdrhmp.1688.com
公司地址
福建省福鼎市桐山街道兴福路1号
相关产品
查看更多
最新文章
查看更多
站内导航