欢迎来到船艇休闲旅游在线
首页 产品
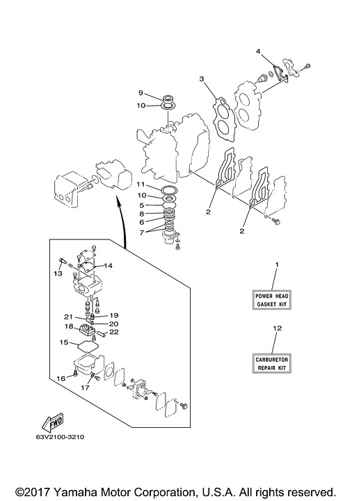
雅马哈舷外机化油器维修套件63V-W0093
雅马哈舷外机化油器维修套件63V-W0093
雅马哈舷外机化油器维修套件63V-W0093
舷外机化油器配件
产品线:船艇动力
参考价格: 面议
采购量:
加入询盘
我要询价
福鼎市兴安机车部件有限公司
福鼎市兴安机车部件有限公司
中国大陆
产品概况
公司简介

Carburetor Repair Kit

OEM Part # 

63V-W0093-00

Applications

Fits Models:

For YAMAHA outboards

9.9HP 15HP


业务种类
船艇
主要产品
舷外机燃油过滤器总成、油箱开关等油路配件
员工人数
50-100人
邮政编码
355200
注册资金(万元)
310
成立时间
2009
企业类型
制造商
公司网址
fdrhmp.1688.com
公司地址
福建省福鼎市桐山街道兴福路1号
相关产品
查看更多
最新文章
查看更多
站内导航